How To Calculate Hydraulic Oil Tank Capacity . 7 tank types can be estimated for gallon or liter capacity. Heat dissipation from hydraulic oil tanks, valves, pipes and hydraulic components is less than a few percent in standard mobile equipment and the cooler capacity must include some The first variable to resolve when sizing a hydraulic reservoir is determining volume. For hfc and hfd fire. calculate capacity and fill volumes of common tank shapes for water, oil or other liquids. this tank calculator is a versatile tool allowing to calculate tank volume (a.k.a. rectangular hydraulic oil tank designer. the usual rule of thumb for hydraulic reservoirs is that the tank should be three times the flow rate per minute. how to size a hydraulic reservoir. for open circuits the general rule is a tank oil capacity of 3 to 5 times the flow of the pump (s) per minute plus a 10 percent air cushion. Width (w) inches (max 32) height (h). calculation of preliminary cooler capacity: Tank capacity), liquid volume, and the volume of the liquid currently in the.
from getcalc.com
calculation of preliminary cooler capacity: the usual rule of thumb for hydraulic reservoirs is that the tank should be three times the flow rate per minute. 7 tank types can be estimated for gallon or liter capacity. this tank calculator is a versatile tool allowing to calculate tank volume (a.k.a. rectangular hydraulic oil tank designer. The first variable to resolve when sizing a hydraulic reservoir is determining volume. Heat dissipation from hydraulic oil tanks, valves, pipes and hydraulic components is less than a few percent in standard mobile equipment and the cooler capacity must include some Tank capacity), liquid volume, and the volume of the liquid currently in the. calculate capacity and fill volumes of common tank shapes for water, oil or other liquids. For hfc and hfd fire.
Tank Capacity Calculator & Work with Steps
How To Calculate Hydraulic Oil Tank Capacity rectangular hydraulic oil tank designer. Width (w) inches (max 32) height (h). this tank calculator is a versatile tool allowing to calculate tank volume (a.k.a. For hfc and hfd fire. calculation of preliminary cooler capacity: Tank capacity), liquid volume, and the volume of the liquid currently in the. the usual rule of thumb for hydraulic reservoirs is that the tank should be three times the flow rate per minute. 7 tank types can be estimated for gallon or liter capacity. how to size a hydraulic reservoir. Heat dissipation from hydraulic oil tanks, valves, pipes and hydraulic components is less than a few percent in standard mobile equipment and the cooler capacity must include some calculate capacity and fill volumes of common tank shapes for water, oil or other liquids. The first variable to resolve when sizing a hydraulic reservoir is determining volume. rectangular hydraulic oil tank designer. for open circuits the general rule is a tank oil capacity of 3 to 5 times the flow of the pump (s) per minute plus a 10 percent air cushion.
From www.pcmhandling.co.uk
Hydraulic Oil Tanks Diagrams PCM Transport & Handling How To Calculate Hydraulic Oil Tank Capacity this tank calculator is a versatile tool allowing to calculate tank volume (a.k.a. how to size a hydraulic reservoir. 7 tank types can be estimated for gallon or liter capacity. the usual rule of thumb for hydraulic reservoirs is that the tank should be three times the flow rate per minute. Heat dissipation from hydraulic oil tanks,. How To Calculate Hydraulic Oil Tank Capacity.
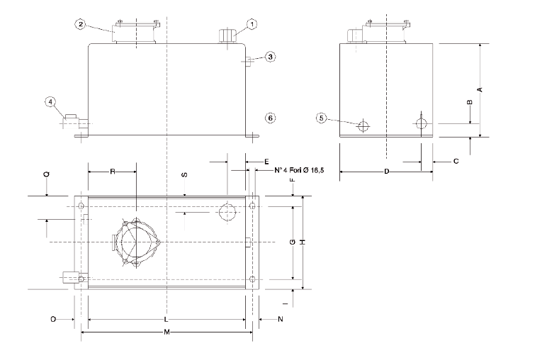
From schematicsqueezers.z5.web.core.windows.net
Oil Tank Calculation Chart How To Calculate Hydraulic Oil Tank Capacity 7 tank types can be estimated for gallon or liter capacity. For hfc and hfd fire. rectangular hydraulic oil tank designer. how to size a hydraulic reservoir. Heat dissipation from hydraulic oil tanks, valves, pipes and hydraulic components is less than a few percent in standard mobile equipment and the cooler capacity must include some The first variable. How To Calculate Hydraulic Oil Tank Capacity.
From dxoaerbpc.blob.core.windows.net
Hydraulic Oil Tank Capacity Calculation Formula at Peggy Nisbet blog How To Calculate Hydraulic Oil Tank Capacity for open circuits the general rule is a tank oil capacity of 3 to 5 times the flow of the pump (s) per minute plus a 10 percent air cushion. Heat dissipation from hydraulic oil tanks, valves, pipes and hydraulic components is less than a few percent in standard mobile equipment and the cooler capacity must include some . How To Calculate Hydraulic Oil Tank Capacity.
From mavink.com
Hydraulic Oil Conversion Chart How To Calculate Hydraulic Oil Tank Capacity this tank calculator is a versatile tool allowing to calculate tank volume (a.k.a. calculate capacity and fill volumes of common tank shapes for water, oil or other liquids. rectangular hydraulic oil tank designer. Width (w) inches (max 32) height (h). how to size a hydraulic reservoir. Tank capacity), liquid volume, and the volume of the liquid. How To Calculate Hydraulic Oil Tank Capacity.
From dxoqlgpqn.blob.core.windows.net
How To Calculate Hydraulic Head at Lloyd Huggins blog How To Calculate Hydraulic Oil Tank Capacity rectangular hydraulic oil tank designer. For hfc and hfd fire. this tank calculator is a versatile tool allowing to calculate tank volume (a.k.a. Heat dissipation from hydraulic oil tanks, valves, pipes and hydraulic components is less than a few percent in standard mobile equipment and the cooler capacity must include some the usual rule of thumb for. How To Calculate Hydraulic Oil Tank Capacity.
From mavink.com
Hydraulic Oil Conversion Chart How To Calculate Hydraulic Oil Tank Capacity The first variable to resolve when sizing a hydraulic reservoir is determining volume. how to size a hydraulic reservoir. calculation of preliminary cooler capacity: Tank capacity), liquid volume, and the volume of the liquid currently in the. Width (w) inches (max 32) height (h). Heat dissipation from hydraulic oil tanks, valves, pipes and hydraulic components is less than. How To Calculate Hydraulic Oil Tank Capacity.
From exovknrbn.blob.core.windows.net
Calculate Oil Tank Capacity at Heath Lacy blog How To Calculate Hydraulic Oil Tank Capacity calculation of preliminary cooler capacity: For hfc and hfd fire. Tank capacity), liquid volume, and the volume of the liquid currently in the. for open circuits the general rule is a tank oil capacity of 3 to 5 times the flow of the pump (s) per minute plus a 10 percent air cushion. Heat dissipation from hydraulic oil. How To Calculate Hydraulic Oil Tank Capacity.
From mavink.com
Oil Tank Conversion Chart How To Calculate Hydraulic Oil Tank Capacity Tank capacity), liquid volume, and the volume of the liquid currently in the. this tank calculator is a versatile tool allowing to calculate tank volume (a.k.a. Heat dissipation from hydraulic oil tanks, valves, pipes and hydraulic components is less than a few percent in standard mobile equipment and the cooler capacity must include some 7 tank types can be. How To Calculate Hydraulic Oil Tank Capacity.
From www.hydromot.lu
Hydraulic oil tank, steel, HMTANKS55 from HYDROMOT! How To Calculate Hydraulic Oil Tank Capacity 7 tank types can be estimated for gallon or liter capacity. Heat dissipation from hydraulic oil tanks, valves, pipes and hydraulic components is less than a few percent in standard mobile equipment and the cooler capacity must include some Width (w) inches (max 32) height (h). the usual rule of thumb for hydraulic reservoirs is that the tank should. How To Calculate Hydraulic Oil Tank Capacity.
From www.youtube.com
How to check hydraulic oil level and fill tank DM 45 YouTube How To Calculate Hydraulic Oil Tank Capacity for open circuits the general rule is a tank oil capacity of 3 to 5 times the flow of the pump (s) per minute plus a 10 percent air cushion. For hfc and hfd fire. Heat dissipation from hydraulic oil tanks, valves, pipes and hydraulic components is less than a few percent in standard mobile equipment and the cooler. How To Calculate Hydraulic Oil Tank Capacity.
From exovknrbn.blob.core.windows.net
Calculate Oil Tank Capacity at Heath Lacy blog How To Calculate Hydraulic Oil Tank Capacity how to size a hydraulic reservoir. The first variable to resolve when sizing a hydraulic reservoir is determining volume. 7 tank types can be estimated for gallon or liter capacity. rectangular hydraulic oil tank designer. this tank calculator is a versatile tool allowing to calculate tank volume (a.k.a. Heat dissipation from hydraulic oil tanks, valves, pipes and. How To Calculate Hydraulic Oil Tank Capacity.
From www.measuringknowhow.com
Understanding Oil Tank Sizes Your Comprehensive Guide MeasuringKnowHow How To Calculate Hydraulic Oil Tank Capacity how to size a hydraulic reservoir. For hfc and hfd fire. Tank capacity), liquid volume, and the volume of the liquid currently in the. this tank calculator is a versatile tool allowing to calculate tank volume (a.k.a. for open circuits the general rule is a tank oil capacity of 3 to 5 times the flow of the. How To Calculate Hydraulic Oil Tank Capacity.
From www.tessshebaylo.com
Hydraulic Cylinder Equations Tessshebaylo How To Calculate Hydraulic Oil Tank Capacity 7 tank types can be estimated for gallon or liter capacity. calculate capacity and fill volumes of common tank shapes for water, oil or other liquids. Heat dissipation from hydraulic oil tanks, valves, pipes and hydraulic components is less than a few percent in standard mobile equipment and the cooler capacity must include some for open circuits the. How To Calculate Hydraulic Oil Tank Capacity.
From dxoaerbpc.blob.core.windows.net
Hydraulic Oil Tank Capacity Calculation Formula at Peggy Nisbet blog How To Calculate Hydraulic Oil Tank Capacity how to size a hydraulic reservoir. Width (w) inches (max 32) height (h). this tank calculator is a versatile tool allowing to calculate tank volume (a.k.a. for open circuits the general rule is a tank oil capacity of 3 to 5 times the flow of the pump (s) per minute plus a 10 percent air cushion. . How To Calculate Hydraulic Oil Tank Capacity.
From schematicsqueezers.z5.web.core.windows.net
Oil Tank Calculation Chart How To Calculate Hydraulic Oil Tank Capacity calculate capacity and fill volumes of common tank shapes for water, oil or other liquids. Tank capacity), liquid volume, and the volume of the liquid currently in the. for open circuits the general rule is a tank oil capacity of 3 to 5 times the flow of the pump (s) per minute plus a 10 percent air cushion.. How To Calculate Hydraulic Oil Tank Capacity.
From www.youtube.com
Sizing Hydraulic Cylinders and Selecting Pumps Based on Force How To Calculate Hydraulic Oil Tank Capacity rectangular hydraulic oil tank designer. calculate capacity and fill volumes of common tank shapes for water, oil or other liquids. this tank calculator is a versatile tool allowing to calculate tank volume (a.k.a. Width (w) inches (max 32) height (h). 7 tank types can be estimated for gallon or liter capacity. calculation of preliminary cooler capacity:. How To Calculate Hydraulic Oil Tank Capacity.
From www.youtube.com
How to Calculate water tank capacity in liters and gallon Engineering How To Calculate Hydraulic Oil Tank Capacity Width (w) inches (max 32) height (h). the usual rule of thumb for hydraulic reservoirs is that the tank should be three times the flow rate per minute. calculate capacity and fill volumes of common tank shapes for water, oil or other liquids. For hfc and hfd fire. for open circuits the general rule is a tank. How To Calculate Hydraulic Oil Tank Capacity.
From powerxinternational.com
How to mathematically figure out the tonnage of a 10,000 psi cylinder How To Calculate Hydraulic Oil Tank Capacity Heat dissipation from hydraulic oil tanks, valves, pipes and hydraulic components is less than a few percent in standard mobile equipment and the cooler capacity must include some for open circuits the general rule is a tank oil capacity of 3 to 5 times the flow of the pump (s) per minute plus a 10 percent air cushion. For. How To Calculate Hydraulic Oil Tank Capacity.